S64DB-12-135
  • S64DB-12-135 S64DB-12-135

S64DB-12-135

Model:S64DB-12-135

HCIC S64DB-12-135 hydrauliske cylindre: Premium, tilpassede muligheder for globale industrielle købere. Pålidelige specifikationer, stabil ydeevne, fabriksdirekte aftaler - ideel til byggeri, minedrift og indkøb i landbruget.

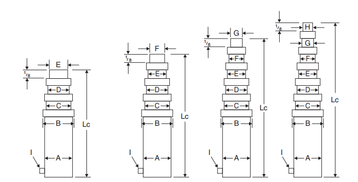
  • Number Stages:

    4
  • Nominal Stage OD:

    6
  • Stroke:

    135
  • Closed:

    47.19
  • Open:

    182.19
  • Pin:

    1.75
  • Width:

    8

Send forespørgsel

Produkt beskrivelse

Til købere af industrielt udstyr. Dette er HCIC S64DB-12-135 cylinder info. Kernespecifikationer, byggekvalitet, hvor man kan bruge, tilpassede tjenester. Alt sammen praktisk. Ingen fnug.


customizable hydraulic cylinders


parker multi-stage hydraulic cylinders


I. Kernespecifikationer: Passer til de fleste installationsjob


HCIC S64DB-12-135 = standarddesign. Fungerer til de fleste industrimaskiner. Strømoverførsel, installation - ingen problemer.


• Strukturelle dimensioner:Udvendig diameter 6. 4 trin. Slag 135. Lukket længde 47,19. Forlænget længde 182,19. Kompakt. Passer til standard maskinmonteringsåbninger.

• Monteringskompatibilitet:Pindestørrelser 1,75 / 1,5. Matcher bredder 8 / 2,69. Svejsning, hængsel - begge dele virker. De fleste maskiner har brug for nul mods.

• Grundlæggende ydeevne:Standard industritætning. Kører non-stop under normale forhold. Opfylder almindelige hydrauliske trykstandarder.


heavy-duty hydraulic cylinders


II. Byggekvalitet: Pålidelig, ingen nedbrud


Vi tjekker hvert trin. Fra råvarer til forsendelse. Ingen genveje. Bare ensartet kvalitet.


(1). Råvarer:Tønde = 45# sømløst stålrør. Stempelstang = slukket + forkromet. Modstår slid, modstår rust. God til almindelig industriel brug.

(2). Behandling og montering:Cylinder indervæg = slebet glat. Stemplet bevæger sig uden at sidde fast. Industrielle tætninger = mindre olielækage.

(3). Kvalitetstjek:Hver cylinder består 3 tests. Tryktest. Slagtilfælde test. Tætningstest. Vi gemmer alle testdata. Kun bestå = sende ud.

dump hydraulic cylinder

III. Applikationsscenarier: Virker til alle slags udstyr


S64DB cylindre passer til mange industrielle områder. Solide kraftdele til maskiner.


• Entreprenørmaskiner:Gravemaskiner, læssemaskiner. Passer til bom- og skovldrev. Håndtag løfter, kikkerter, roterer. God til det daglige byggearbejde.

• Metallurgisk og minedrift:Ovn justeringer, knuser foder kontrol. Arbejder i hårde miljøer. Opfylder grundlæggende feltkrav.

• Landbrugsmaskiner:Såmaskiner, høstmaskiner. Justerer sådybden, løfter skæreborde. Gør landbruget mere effektivt.

• Specielt udstyr:Juster parametre. Passer til luftlifte, affaldskomprimatorer. Grundlæggende strømstøtte — færdig.


IV.Ofte stillede spørgsmål

Praktiske svar på dine spørgsmål om HCIC S64DB-12-135 hydraulisk cylinder, inklusive specifikationer, kompatibilitet, kvalitet og tilpasning.

📏 Kernespecifikationer og kompatibilitet

Spørgsmål: Passer HCIC S64DB-12-135 cylinderen til min standard industrimaskine uden ændringer?

A: Absolut. HCIC S64DB-12-135 er en standarddesignet hydraulisk cylinder med kompakte strukturelle dimensioner (ydre diameter 6, lukket længde 47,19, forlænget længde 182,19) og kompatible stiftstørrelser (1,75 / 1,5) og bredder (8 / 2,69). Den passer til de fleste standard maskinmonteringsåbninger, og både svejse- og hængselsmontering fungerer – de fleste industrielle maskiner behøver ingen mods for at installere den til kraftoverførsel eller andre opgaver.

Q: Hvad er de vigtigste strukturelle og ydeevnespecifikationer for HCIC S64DB-12-135 cylinderen?

A: HCIC S64DB-12-135 har 4 trin, en 135-tommer slaglængde, lukket længde 47,19 tommer og forlænget længde 182,19 tommer. Den bruger standard industritætninger, kører non-stop under almindelige industrielle forhold og opfylder almindelige hydrauliske trykstandarder. Dens kompakte design gør den ideel til snævre monteringspladser på de fleste industrimaskiner.

Q: Hvilke monteringsmuligheder er tilgængelige for HCIC S64DB-12-135 cylinderen?

A: Denne cylinder understøtter to almindelige industrielle monteringsmetoder: svejsning og hængsling. Den leveres med kompatible stiftstørrelser (1,75 og 1,5) og matcher standard maskinbredder (8 og 2,69), så du kan installere den ved hjælp af den metode, der passer bedst til dit udstyr – ingen brugerdefinerede monteringsadaptere er nødvendige for de fleste maskiner.

Spørgsmål: Kan HCIC S64DB-12-135 cylinderen håndtere kontinuerlig non-stop industriel brug?

A: Ja. Den er bygget med standard industritætninger og opfylder almindelige hydrauliske trykstandarder, hvilket gør det muligt at køre non-stop under almindelige industrielle forhold. Den slebne glatte indvendige cylindervæg sikrer, at stemplet bevæger sig uden at klæbe, og materialer af høj kvalitet modstår slid - perfekt til daglig kontinuerlig brug på bygge-, landbrugs- eller metallurgiske maskiner.

⚙️ Byg kvalitets- og applikationsscenarier

Q: Hvilke materialer bruges til at fremstille HCIC S64DB-12-135 cylinderen, og hvor holdbar er den?

A: Cylindercylinderen er lavet af 45# sømløst stålrør, og stempelstangen er quenched og forkromet - denne kombination modstår slid og rust, perfekt til almindelig industriel brug. Den indvendige væg er slebet glat for at forhindre stempelklæbning, og de industrielle tætninger reducerer olielækage – alt dette giver langvarig, pålidelig ydeevne uden uventede nedbrud.

Spørgsmål: Hvilke kvalitetstest består HCIC S64DB-12-135 cylinderen før afsendelse?

A: Hver enkelt HCIC S64DB-12-135 cylinder består 3 strenge test, før vi sender den ud: en tryktest (for at opfylde hydrauliske standarder), en slagtest (for at sikre jævn bevægelse) og en tætningstest (for at forhindre olielækage). Vi gemmer alle testdata til fremtidig reference, og vi sender aldrig en cylinder, der ikke består alle tre - ingen genveje, kun ensartet kvalitet.

Q: Hvilke industriområder og maskiner er HCIC S64DB-12-135 cylinderen egnet til?

A: Denne cylinder er alsidig og passer til mange industrielle områder. Den fungerer til entreprenørmaskiner (gravemaskiner, læssere til bom-/skovldrev), metallurgisk og minedriftsudstyr (ovnjusteringer, styring af knusertilførsel), landbrugsmaskiner (såmaskiner, høstmaskiner til justering af sådybde) og specialudstyr (lifte, affaldskomprimatorer) - det er en solid kraftdel til alle slags gear.

Q: Kan HCIC S64DB-12-135 cylinderen fungere godt i hårde minedrift eller metallurgiske miljøer?

A: Ja. Den afkølede og forkromede stempelstang modstår rust og slid, og den 45# sømløse ståltønde er hård nok til at håndtere de barske forhold på minedrift og metallurgiske steder. Den er designet til ovnjusteringer og styring af knuserens tilførsel, og den opfylder grundlæggende markkrav - du behøver ikke at bekymre dig om, at den fejler, når du har mest brug for det.

🛡️ Fordele ved tilpasning og samarbejde

Spørgsmål: Kan jeg tilpasse HCIC S64DB-12-135 cylinderen til at opfylde mine specielle udstyrsbehov?

A: Absolut. Hvis standard HCIC S64DB-12-135 ikke er helt den rigtige til din maskine, tilbyder vi specialtilpassede hydrauliske løsninger. Vi kan justere struktur, slaglængde, monteringsstil og tætninger baseret på dine specifikke behov - bare arbejde 1-til-1 med vores tekniske team for at bekræfte din maskines miljø, strømbehov og monteringsplads, så skaber vi en løsning, der er skræddersyet til dig.

Q: Hvad er processen for at få en brugerdefineret version af HCIC S64DB-12-135 cylinderen?

A: Den tilpassede proces er enkel: 1) Først chatter vores tekniske team 1-til-1 med dig for at bekræfte dine behov og skabe et klart behovsdokument. 2) Derefter justerer vi cylinderens specifikationer og sender dig tegninger for at bekræfte. 3) Når du har godkendt, producerer vi det (først til mølle) og sender det via din foretrukne metode (sø-/luftfragt til globale kunder). 4) Endelig yder vi eftersalgssupport til installation og brug.

Q: Hvilke fordele får jeg, når jeg bestiller HCIC S64DB-12-135 cylinderen direkte fra din fabrik?

A: Bestilling direkte fra vores HCIC-fabrik har to store fordele: For det første prisfordel - ingen mellemhandlere, så du sparer omkostninger, og masseordrer får bedre rabatter. For det andet, udenrigshandelsstøtte – vi leverer dokumenter på flere sprog, tip om toldkodeks og hjælper med deklarationspapirer, så grænseoverskridende køb er glat. Vi tilbyder også standardgaranti og gratis reparation/dele for ikke-menneskelige skader.




V. Custom Services: Gør cylindre på din måde


særlige behov? Vi har en enkel proces. Skræddersyede hydrauliske løsninger til dig.


(1). Har brug for snak:Vores teknologiteam chatter 1-til-1. Bekræft din maskines miljø, strømbehov, monteringsplads. Giv dig et klart behovsdokument.

(2). Designstadie:Juster struktur, slaglængde, montering, tætninger. Ud fra dine behov. Send dig tegninger for at bekræfte.

(3). Produktion og levering:Tilpassede bestillinger = først til mølle. Almindelige tilpassede modeller = standard leveringstid. Sø-/luftfragt for globale kunder.

(4). Eftersalgssupport:Standard garanti. Ikke-menneskelig skade = gratis reparation/dele. Teknisk hotline = besvarer spørgsmål om installation/brug når som helst.


double-acting telescopic hydraulic cylinders

VI. Samarbejdsfordele: Nemme globale tilbud


HCIC = professionel hydraulisk cylinderfabrik. God at arbejde med for globale kunder.


• Prisfordel:Direkte fra fabrikken. Ingen mellemmænd. Spar omkostninger. Masseordrer = bedre rabatter.

• Udenrigshandelsstøtte:Dokumenter på flere sprog. Tip om toldkodeks. Hjælp med erklæringspapirer. Grænseoverskridende køb = glat.


VII.Kontakt os:

HCIC er en professionel hydraulisk producent, hovedsagelig beskæftiget med hydraulisk system design, fremstilling, installation, transformation, idriftsættelse og hydrauliske komponenter mærke salg og tekniske tjenester. Vi håber, at vores produkt kan hjælpe med at spare dine omkostninger og forbedre din kvalitet.For flere detaljer, send en e-mail til os "davidsong@mail.huachen.cc" eller google søgning "HCIC hydraulisk"


Hot Tags: S64DB-12-135, Producenter, Leverandører, Engros, Tilpasset, På lager, Afvist lastbil, Kina, Sneplov

Relateret kategori

Send forespørgsel

Du er velkommen til at give din forespørgsel i nedenstående formular. Vi svarer dig inden for 24 timer.
X
Vi bruger cookies til at tilbyde dig en bedre browsingoplevelse, analysere trafik på webstedet og tilpasse indhold. Ved at bruge denne side accepterer du vores brug af cookies. Privatlivspolitik
Afvise Acceptere